Boccola passacavo/fissacavo 1.7x2mm - nero
09532
Questi serracavo a Boccola sono realizzati in materiale di nylon, per assorbire le forze di trazione e spinta e torsione esercitata sui cavi.
Sigla: CB-A6
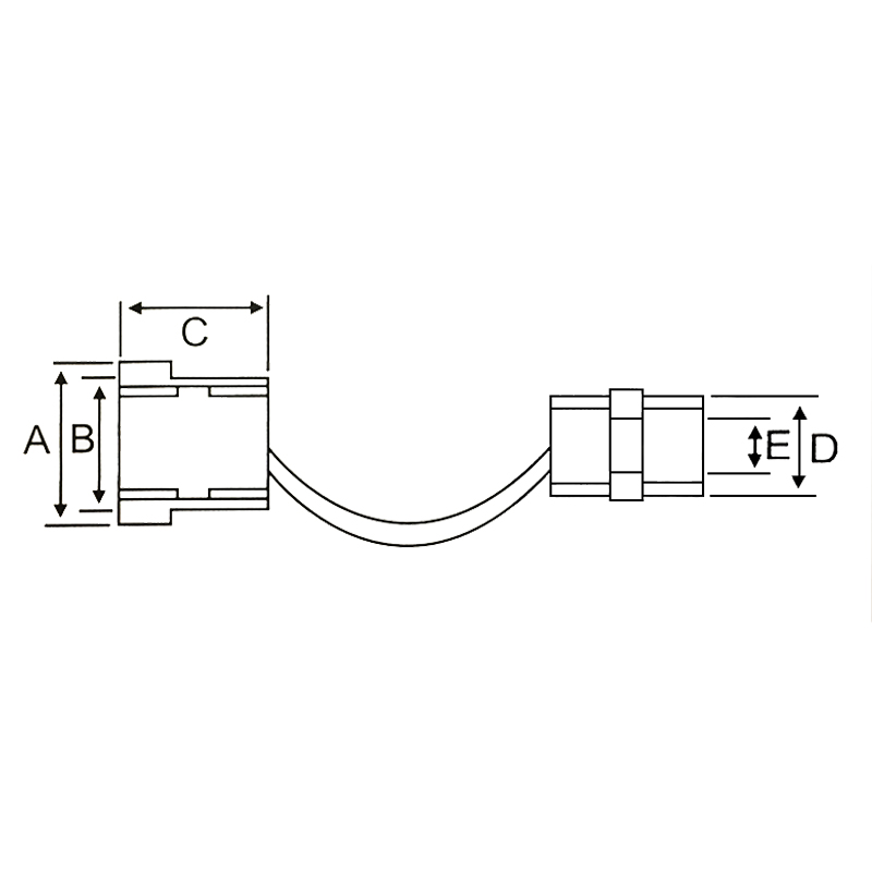
Dimensioni (mm):
A: 10.7
B: 8.5
C: 10
D: 5.5
E: 1.7x2


Brand
FATO
Codice fornitore
CB-A6
Effettua l'accesso così da poter essere ricontattato




