Boccola passacavo/fissacavo 4.7mm - nero
10357
Boccola passacavo/fissacavo 4.7mm - nero
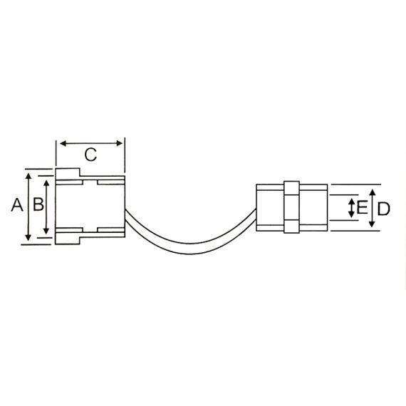
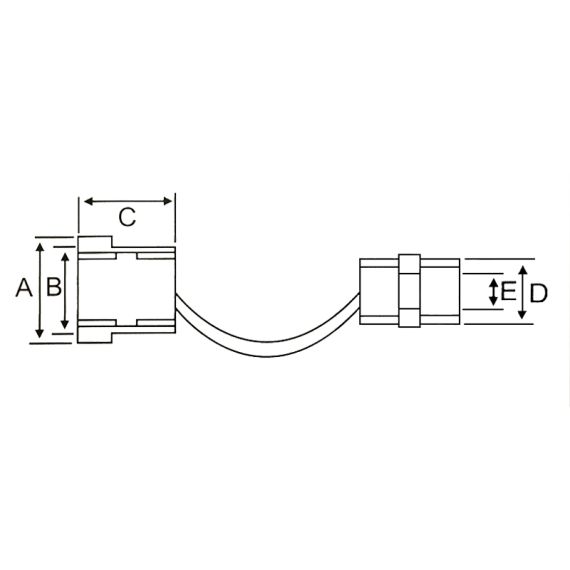
Questi serracavo a Boccola sono realizzati in materiale di nylon, per assorbire le forze di trazione e spinta e torsione esercitata sui cavi.
Sigla: CB-A5A

Dimensioni (mm):
- A: 14.3
- B: 12.4
- C: 14
- D: 8.2
- E: 4.7

Brand
FATO
Codice fornitore
CB-A5A
Effettua l'accesso così da poter essere ricontattato




