Boccola passacavo/fissacavo 7mm - nero
10788
Questi serracavo a Boccola sono realizzati in materiale di nylon, per assorbire le forze di trazione e spinta e torsione esercitata sui cavi.
Sigla: CB-6P3-4
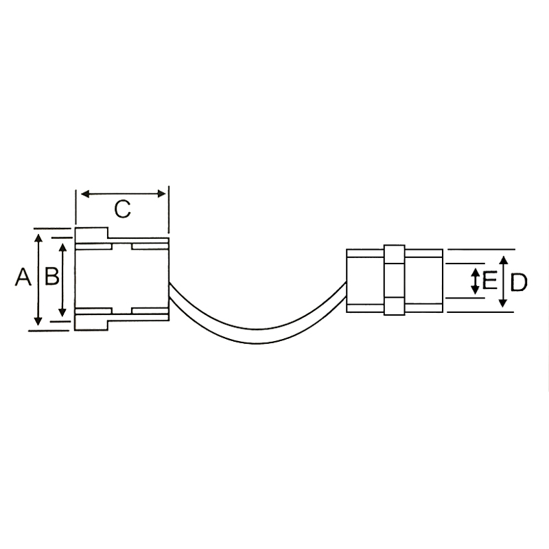
Dimensioni (mm):
A: 16.2
B: 13.7
C: 15.5
D: 8.7
E: 7


Brand
FATO
Codice fornitore
CB-6P3-4
Effettua l'accesso così da poter essere ricontattato




