Boccola passacavo/fissacavo - nero
09918
Questi serracavo a Boccola sono realizzati in materiale di nylon, per assorbire le forze di trazione e spinta e torsione esercitata sui cavi.
Sigla: CB-8P-2

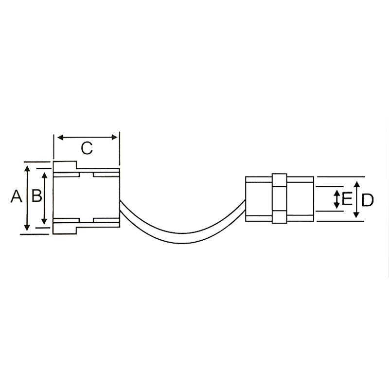
Dimensioni (mm):
- A: 22.5
- B: 20.5
- C: 20
- D: 15
Brand
FATO
Codice fornitore
CB-8P-2
Effettua l'accesso così da poter essere ricontattato




